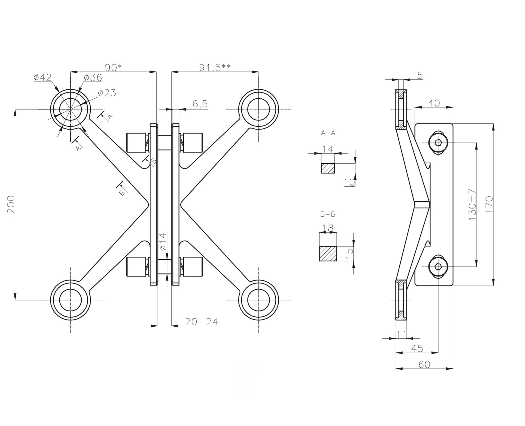
Anyag: Inox AISI 304, Felület kezelés: Szálcsiszolt, Üvegnyitó: Igen
Adjon meg néhány általános információt a szállítási és kézbesítési irányelveiről.
Részesedés:
Síküveg négykaros pontmegfogó
30 éves tapasztalat
Széleskörű partnerhálózat
Több mint 5000 termék raktárkészleten
Gyors kiszállítás